技術電話:17301986536加盟電話:13689528587

平行梁傳感器MK705
產品特點:MK705 鋁制箱式平行梁稱重傳感器為單點承載結構,出廠時已通過四角調整保證其在規定的受載平面內各點輸出一致。產品結構形式簡單,使用方便。
產品用途:MK705 平行梁稱重傳感器適用于制作由單只傳感器構成的各種形式電子臺秤、灌裝秤等。
材質及量程:
合金鋼:MK705 : 0.5kN(50kg),1kN(100kg),15kN(150kg),2kN(200kg),2.5kN(250kg)、5kN(500kg)
鋁合金: MK705-A : 0.5kN(50kg),1kN(100kg),15kN(150kg),2kN(200kg)
鋁合金: MK705-B: 2.5kN(250kg)、5kN(500kg)
鋁合金: MK705-C: 7.5kN(750kg)、10kN(10)、20kN(2t)
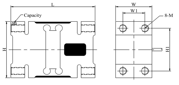
技術參數及外形尺寸:
序號 | 產品技術參數 | |
1 | 額定載荷 | 50kg-2000kg |
2 | 綜合精度 | ≤0.02%F.S |
3 | 額定輸出 | 2.0mV |
4 | 蠕變 | ±0.02%F.S/30min |
5 | 零點輸出 | ±1%F.S |
6 | 零點溫度影響 | ±0.03%F.S/10℃ |
7 | 輸出溫度影響 | ±0.02%F.S/10℃ |
8 | 輸入阻抗 | 410±15Ω/382±15 |
9 | 輸出阻抗 | 350±5Ω |
10 | 絕緣阻抗 | ≥5000MΩ |
11 | 工作溫度范圍 | -10~65℃ |
12 | 安全過載 | 120%F.S |
13 | 材質 | MK705:合金鋼 MK705-A,B,C:鋁合金 |
14 | 推薦工作電壓 | 5-12VDC |
15 | 接線方式 | 紅……E+(輸入正) 黑……E-(輸入負) 綠……S+(輸出正) 白……S-(輸出負) |

型號 | 量程(kN) | 量程(kg) | L | W | W1 | H | H1 | M | 推薦安裝尺寸 |
| MK705 | 0.5-20 | 50-2000 | 150 | 64 | 38 | 72 | 45 | M14 | 800×800 |
MK705 -A | 0.5-2 | 50-200 | 156 | 44 | 24 | 75 | 50 | M12×1.75 | 600×600mm |
MK705-B | 2.5-5 | 250-500 | 146 | 60 | 36 | 95 | 70 | M12×1.75 | 600×800mm |
MK705-C | 7.5-20 | 750-2000 | 176 | 76 | 46 | 125 | 95 | M16×2 | 1200×1200mm |
密克傳感器(深圳)有限公司是傳感器源頭生產廠家,致力于測力傳感器的研發生產。產品達百余種,廣泛應用于各種工業自動化、機器人、化工、食品、冶金以及醫療等新型和智能化高端領域。按結構分有輪輻式傳感器,S型傳感器,波紋管傳感器,法蘭盤傳感器,柱式傳感器,扭矩傳感器,平行梁傳感器,拉力傳感器等等,按功能應用場景分有試驗機專用傳感器,攪拌站傳感器,稱重傳感器,包裝機傳感器,壓裝機傳感器,價格美麗,可定制。
密克斯生產的MK705 平行梁稱重傳感器適用于制作由單只傳感器構成的各種形式電子臺秤、灌裝秤等。
