技術電話:17301986536加盟電話:13689528587

懸臂梁傳感器MK501
產品特點:MK501懸臂梁式稱重傳感器一端固定一端加載,重心低,安裝方便,互換性好。
產品用途:MK501懸臂梁式稱重傳感器適用于平臺秤及配料控制系統等。
量程:1 kN(100kg) 、2 kN(200kg) 、3 kN(300kg) 、5kN(500kg)、10 kN(1t)、20 kN(2t)、
25kN(2.5t) 、30 kN(3t)、50 kN(5t)、75 kN(7.5t)、100 kN(10t)
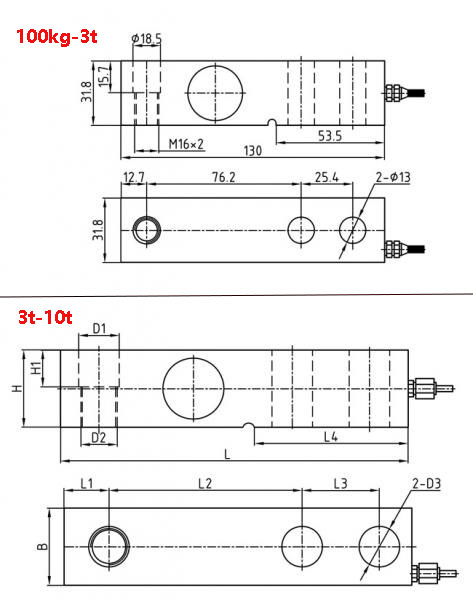
技術參數及外形尺寸:
序號 | 產品技術參數 | |
1 | 額定載荷 | 100kg-10t |
2 | 綜合精度 | D1;C3 |
3 | 靈敏度 | 2.03.0mV/V |
4 | 零點輸出 | ≤0.1%F.S |
5 | 輸入阻抗 | 400±10Ω |
6 | 輸出阻抗 | 351±3Ω |
7 | 絕緣阻抗 | ≥5000MΩ |
8 | 補償溫度范圍 | -10~40℃ |
9 | 適用溫度范圍 | -30~70℃ |
10 | 安全過載 | 120%F.S |
11 | 材質 | 合金鋼 |
12 | 激勵電壓 | 10V(DC) |
13 | 密封等級 | IP67/IP68 |
14 | 電纜 | 3-5m |
15 | 接線方式 | 紅……E+(輸入正) 黑……E-(輸入負) 綠……S+(輸出正) 白……S-(輸出負) |

型號 | 量程(kN) | 量程(t) | L | L1 | L2 | L3 | L4 | B/H | H1 | D1 | D2 | D3 |
| MK501 | 30-50 | 3-5 | 171.5 | 19 | 95.3 | 38.1 | 72.5 | 38.1 | 26 | Φ20 | M18×1.5 | Φ20 |
75,100 | 7.5,10 | 225.5 | 25.3 | 124 | 50.8 | 102 | 50.8 | 25.4 | Φ27 | M24×2 | Φ27 |
密克傳感器(深圳)有限公司是傳感器源頭生產廠家,致力于測力傳感器的研發生產。產品達百余種,廣泛應用于各種工業自動化、機器人、化工、食品、冶金以及醫療等新型和智能化高端領域。按結構分有輪輻式傳感器,S型傳感器,波紋管傳感器,法蘭盤傳感器,柱式傳感器,扭矩傳感器,平行梁傳感器,拉力傳感器等等,按功能應用場景分有試驗機專用傳感器,攪拌站傳感器,稱重傳感器,包裝機傳感器,壓裝機傳感器,價格美麗,可定制。
密克斯生產的MK501懸臂梁式稱重傳感器適用于平臺秤及配料控制系統等。
