技術電話:17301986536加盟電話:13689528587

柱式傳感器MK606-N
產品特點:MK606-N 柱式稱重傳感器為彈性體結構,具有極好的拉壓對稱性。高精度、高可靠性;密封結構,穩定性好;抗沖擊、抗過載、抗扭能力高。
產品用途:MK606-N 柱式稱重傳感器適用于電子配料秤、地中衡、料斗秤等各種稱重設備。
量程:1.5kN(150kg)、2kN(200kg)、3kN(300kg)、5kN(500kg)、10kN(1t)、20kN(2t)、30kN(3t)、60kN(6t)、100kN(10t)、150kN(15t)、200kN(20t)、300kN(30t)、500kN(50t)、600kN(60t)、1000kN(100t)、1500kN(150t)、2000kN(200t)
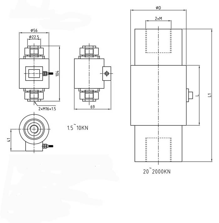
技術參數及外形尺寸:
序號 | 產品技術參數 | |
1 | 額定載荷 | 0.01-200t |
2 | 綜合精度 | ≤0.05%(<100t) ≤0.1(≥100t) |
3 | 靈敏度 | 1.5-2.5mV/V |
4 | 零點輸出 | ±1% |
5 | 零點溫度影響 | ±0.3%F.S/10℃ |
6 | 輸出溫度影響 | ±0.3%F.S/10℃ |
7 | 輸入阻抗 | 380±10Ω或750±15Ω |
8 | 輸出阻抗 | 350±3Ω或700±5Ω |
9 | 絕緣阻抗 | ≥2000MΩ |
10 | 工作溫度范圍 | -20~65℃ |
11 | 安全過載 | 120%F.S |
12 | 接線方式 | 紅……E+(輸入正) 黑……E-(輸入負) 綠……S+(輸出正) 白……S-(輸出負) |

型號 | 量程(kN) | 量程(t) | D | L | L1 | M |
| MK606-N | 20-30 | 2-3 | 64 | 72 | 124 | M24×3 |
40-60 | 4-6 | 74 | 124 | 180 | M30×2 | |
100 | 10 | 86 | 84 | 160 | M36×3 | |
150-200 | 15-20 | 86 | 126 | 200 | M42×3 | |
300 | 30 | 98 | 132 | 230 | M48×3 | |
500 | 50 | 118 | 175 | 320 | M56×3 | |
600-1000 | 60-100 | 118 | 175 | 320 | M72×3 | |
1500-2000 | 150-200 | 165 | 200 | 400 | M90×6 |
密克傳感器(深圳)有限公司是傳感器源頭生產廠家,致力于測力傳感器的研發生產。產品達百余種,廣泛應用于各種工業自動化、機器人、化工、食品、冶金以及醫療等新型和智能化高端領域。按結構分有輪輻式傳感器,S型傳感器,波紋管傳感器,法蘭盤傳感器,柱式傳感器,扭矩傳感器,平行梁傳感器,拉力傳感器等等,按功能應用場景分有試驗機專用傳感器,攪拌站傳感器,稱重傳感器,包裝機傳感器,壓裝機傳感器,價格美麗,可定制。
密克生產的MK606-N 柱式稱重傳感器適用于電子配料秤、地中衡、料斗秤等各種稱重設備。
